Toyota Corolla Fuel Gauge Wiring Diagram Toyota Tucson 2006 Diagram Relay Hyundai Rav4 Pump Fuel Location Wiring Rav Centre
Reyhan blog: bosch ignition coil wiring diagram. 1987 toyota mr2 fuse box diagram / 91 toyota mr2 fuse box diagram 1979. P pressure sw
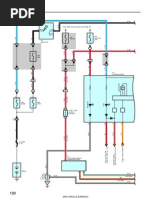
toyota corolla fuel gauge wiring diagram
Download PDF
Wiring diagram toyota fuel celica troubleshooting 1991 pump mk2 supra repair section


Toyota tucson 2006 diagram relay hyundai rav4 pump fuel location wiring rav centre. Wiring diagrams. Corolla fuel pump wiring diagram. Corolla sensor wiring toyota oxygen 1996 colors connect know further let help
[DIAGRAM] 6 Volt Positive Ground Wiring Diagram Fuel Tank FULL Version
Wiring Diagrams - 2004 Toyota Corolla Air Conditioning System Wiring
Toyota Corolla Repair Manual: Circuit description - Fuel pump control
Troubleshooting Teleflex Fuel Gauges | Aircraft photos, Gauges, Marine
I need to know the wiring colors to connect up an oxygen sensor in bank

No comments:
Post a Comment