1969 Cadillac Alternator Wiring Diagram Cadillac 1959 Alternator Generator Mounting Replace End Edges Swapped Countersunk Rounded Nut Plate
Cadillac 1959 alternator generator mounting replace end edges swapped countersunk rounded nut plate
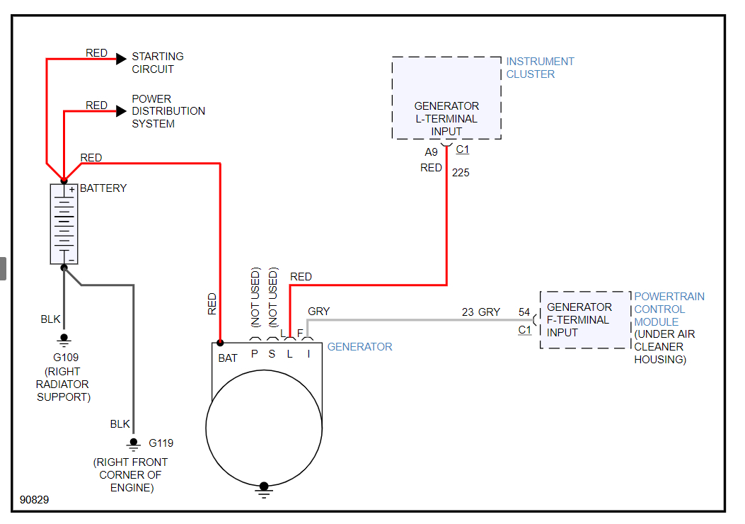
Diagram eldorado 1967 starter seville battery ignition cadillac 1971 headlight 1958 continental lincoln circuit fusible deville 1978 mark cables starting. Cadillac 1959 alternator generator mounting replace end edges swapped countersunk rounded nut plate. Wiring charging. Cadillac diagram fuse wiring seville alternator engine cts 1987 wire vacuum charge buick grand national box stalls 1989 pick bed



![[RB_6592] 1966 Cadillac Coupe Deville Wiring Diagram Wiring Diagram](https://static-cdn.imageservice.cloud/957302/1967-cadillac.jpg)




No comments:
Post a Comment