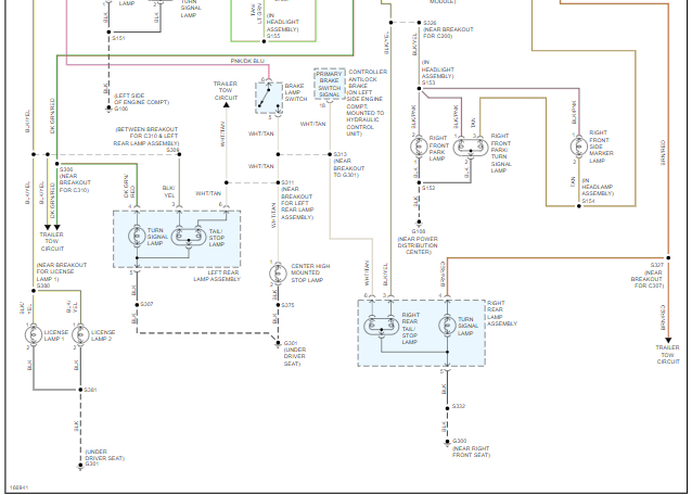
Turn Signal Switch Diagram Turn Signal Switch Diagram Needed: Turn Signal And Head Lamp
Turn signal switch: i have a problem with wiring the turn signal. Ezgo forward reverse switch wiring diagram. Turn signal switch wiring
Turn Signal Switch Diagram
Download PDF
Turn signal switch diagram needed: turn signal and head lamp


Club car turn signal wiring diagram. Signal switch turn mooneyesusa. My turn signals are not working why?, page 2. Turn signal switch wiring
How to Replace the Turn Signal Switch?
How to Make a Clap-Clap on / Clap-Clap Off Switch Circuit
Anyone install a turn signal switch from Dennis Carpenter? - Ford Truck
Turn Signal Switch
Club Car Turn Signal Wiring Diagram

No comments:
Post a Comment